發布時間:
2021-04-11 21:16:09
瀏覽次數:
《鈮及鈮合金棒國家標準GB/T 14842-2007》,本標準規定了鈮及鈮合金棒材的要求、試驗方法、檢驗規則和標志、包裝、運輸、貯存及訂貨單(或合同)內容。
本標準適用于鑄錠或粉冶條還經擠壓、鍛造、軋制、拉伸等工藝生產的鈮及鈮合金圓棒和方棒。
規范性引用文件
下列文件中的 條款通過本標準的引用而成為本標準的條款。凡是注日期的引用文件,其隨后所有的修改單(不包括勘誤的內容)或修訂版均不適用于本標準,然而,鼓勵根據本標準達成協議的各方研究是否可使用這些文件的最新版本。凡是不注日期的引用文件,其最新版本適用于本標準。
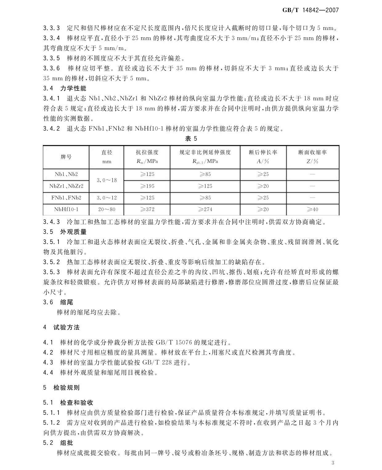
GB/T 228金屬材料室溫拉伸試驗方法
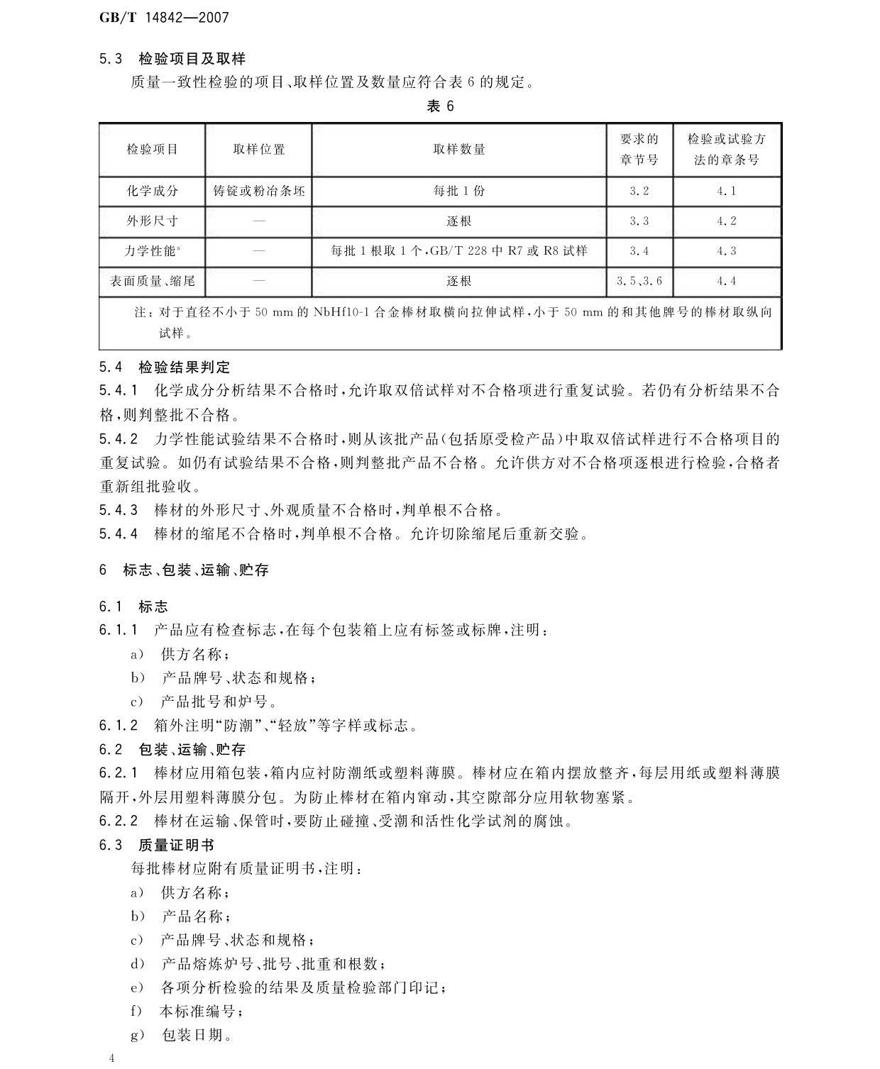
GB/T 15076 ( 所有部分) 鉭鈮化學分析方法
YS/T 656鈮及鈮合金加工產品牌號和化學成分
鈮及鈮合金棒國家標準的詳細內容規范,利泰金屬整理如下:







相關鏈接
- 2020-05-26 寶雞鈮棒廠家談鈮合金材料的性能與加工特點

